[i=s] 本帖最后由 WT_0213 于 2025-10-27 15:22 编辑 [/i]
规格说明书
可以先看看规格说明书,脚位定义。

Ai-WV01-32S 搭载BL602和VB6824芯片作为核心处理器,可以理解成 WB2-12F + VB6824 的一个整合模组。尺寸变小了。

封装形式 为SMD-40 和 Ai-M61-32S 一样。

开始想着可以沿用之前设计的这个mini小板。

但是失败了,大部分引脚位置一致。有些引脚位置定义还是不太一样。线路上有些不通用。
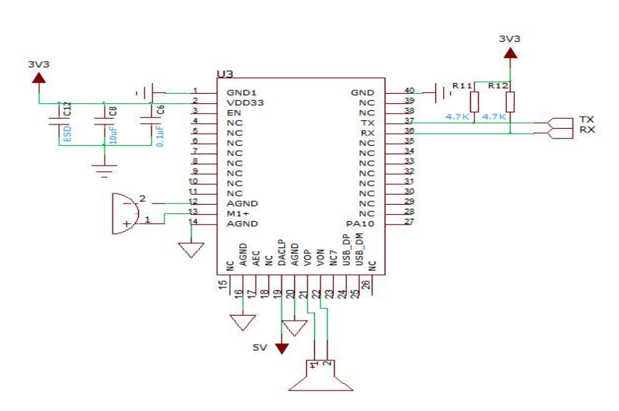
参考电路

运行
想要让Ai-WV01-32S模组正常运行,前提条件。
3V 供电,正常启动
5V 供电,内部功放(不接没声音,没给功放供电😂)
TXD 、RXD 可以根据情况连接,主要查看日志数据和串口MCP还有烧录使用。
我用的串口工具是下图这个。

接线
| USB转TTL |
Ai-WV01-32S |
| VCC |
3V3 |
| GND |
GND |
| TXD (可选) |
RXD |
| RXD (可选) |
TXD |
| 5V |
5V/DACR |
| 麦克风正端 |
MIC+ |
| 麦克风负端 |
AGND |
| 喇叭正端 |
VOP |
| 喇叭负端 |
VON |
很好的满足了Ai-WV01-32S的运行和烧录条件。3V、5V、DTR 和 RTS都有。焊好导线以后可以完美运行。

试用了V2.3这个版本的商用版固件。效果很棒。识别率和唤醒率都很高。持续对话打断也很灵敏。然后就是折腾。
固件
| 模组型号 |
固件号 |
固件描述 |
版本 |
链接 |
| Ai-WV01-32S |
3102号 |
出厂默认固件 |
V2.3 |
点击下载 |
默认模组上烧录的时V2.3的固件。是商用授权版本。手机使用 安信可Iot小程序可以直接配网,并填写验证码使用。
固件和 AiPi-PalChatV1是通用的
| 适用型号 |
固件号 |
固件描述 |
版本 |
下载链接 |
| AiPi-PalChatV1 |
X020 |
AiPi-PalChatV1 初版出厂固件 |
V1.9 |
点击下载 |
| AiPi-PalChatV1 |
X020 |
AiPi-PalChatV1 兼容商用版 |
V2.1 |
点击下载 |
| AiPi-PalChatV1 |
X020 |
AiPi-PalChatV1 支持MCP控制(⭐Ai-WV01 同款固件) |
V2.3 |
点击下载 |
| AiPi-PalChatV1 离线语音芯片 |
X020 |
AiPi-PalChatV1 离线语音固件(适用于V1.9版本) |
V1.0 |
点击下载 |
| AiPi-PalChatV1 UART-MCP |
/ |
AiPi-PalChatV1 串口MCP交互固件 |
V2.4 |
点击下载 |
烧录固件
接线

| USB转TTL |
Ai-WV01-32S |
| 5V(可选) |
5V (功放) |
| 3V3 |
3V3 |
| GND |
GND |
| TXD |
RXD |
| RXD |
TXD |
| DTR |
IO8 |
| RTS |
EN |
其他注释

烧录
烧录方式直接照搬官方烧录方式即可。使用上面推荐的串口工具可以自动下载程序。
- 1.打开正确的 COM 口
- 2.勾选
enable,选择合并好的固件
- 3.点击烧录
- 4.烧录完成

!!!
注意:如果打开了其他串口工具。记得关闭串口。否则会冲突,导致失败。
!!!
烧录了 AiPi-PalChatV1 UART-MCP 商用版,就不能用了,这个是开源版。
| 适用型号 |
固件号 |
固件描述 |
版本 |
下载链接 |
| AiPi-PalChatV1 UART-MCP |
/ |
AiPi-PalChatV1 串口MCP交互固件 |
V2.4 |
点击下载 |
开源版配网后 需要到 https://xiaozhi.me 进行设备添加,如果添加过设备请先解绑。
烧录过程中可能会失败,或者“你好,小安”不能进入配网模式。
重新上电再试一次,一般都可以解决。感觉上 商用版的比 开源版的体验效果要好一些。
不过开源版比较适合折腾。一直以来由于闭源的原因并且引脚引出有限。导致只能使用几项固有功能。限制发展更多的玩法。
现在的UART-MCP 版本将打破这一限制。可以通过串口数据去做更多的拓展功能。
目前手里的这个模组缺个底板,想着自己设计一个。
电路设计有点难呀,摸索中。
总结
1、感觉商用版比开源版好用响应速度好像更快一些。
2、烧录错误:检查时候串口已经打开、尝试重新上电
3、功放GPIO 5V 需要连接,不然没声
4、烧录完成后,正常启动 撤掉 DTR 和 RTS 接线
5、封装 SMD-40 与 Ai-M61-32S 相同画板子可以参考这点挺好的
6、焊接GPIO有点小,注意不要短路
7、喇叭用的2030腔体-4Ω 3W/喇叭,感觉声音比较小。 AiPi-PalChatV1用的扬声器:2W/8Ω 可以参考
8、MCP固件 版本目前官方下载到V2.4,可以自己下载源码编译V2.7
9、拾音距离 最优距离 20厘米- 2米5左右识别准确,唤醒打断较为轻松。 大于3米及远距离需要提高说话音量。唤醒打断识别都可以就是费力,目前唤醒识别率很高。误识别概率较低。以上测试时在轻微噪音环境测试。如果高燥声环境可能远距离唤醒识别会受影响。近距离相对稳定。
10、MCP固件,串口输出有一定延迟,与网络状态有一定关系。
11、MCP固件串口通讯(待测试),准备弄块底板,更方便测试,也可以做一些有意思的东西。