[i=s] 本帖最后由 AndyL 于 2025-9-22 17:16 编辑 [/i]
一、硬件介绍
1、产品特点
Rd-03_V2雷达模组,搭载矽典微的S1KM0000芯片、高性能 24GHz 一发一收天线和外围电路,S1KM0000 是一种基于FMCW雷达收发器技术的集成单片机毫米波传感器 SoC。
利用 FMCW 调频连续波,对设定空间内的目标进行探测,结合雷达信号处理,实现高灵敏度的运动检测和微动检测。
Rd-03_V2 模组对运动人体的最远感应距离为 7m,可感知区域内是否有运动或者微动的人体

特性
雷达支持 24GHz ISM 频段
雷达天线支持1收1发,天线波束窄、分辨率高、频带宽、抗干扰力强
雷达最远感应距离为可达 7米
雷达探测角度大,覆盖范围可达 ±60 度
雷达区间内准确识别,支持感应范围划分,屏蔽区间外干扰
支持自动生成检测门限
主要参数说明
供电电压 |
3.0V ~ 3.6V,供电电流 ≥200mA |
支持接口 |
UART |
串口速率 |
默认 115200 bps |
雷达感应距离
安装方式 |
典型值(米) |
最大值(米) |
挂壁方式(±60°范围) |
7 |
10 |
挂顶方式(3m 挂高),圆形投影半径 |
5 |
- |
2、管脚定义

脚序 |
功能 |
说明 |
1 |
3V3 |
输入电源 |
2 |
GND |
接地 |
3 |
TX |
UART_TX |
4 |
RX |
UART_RX |
5 |
OT2 |
检测结果输出,感应时输出高电平,未感应时输出低电平 |
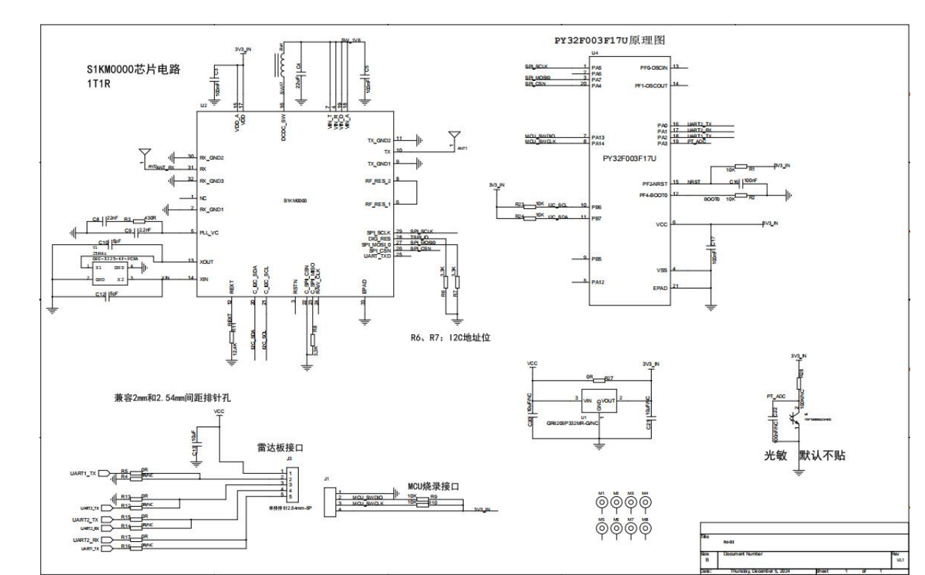
主要原理图:

芯片架构图

3、安装示意图
挂顶安装

挂壁安装

二、雷达模块测试
测试Rd-03_V2 感应距离与感应范围
通过挂壁安装方式进行以下测试,使用USB 转 TTL工具连接模块,然后打开上位机;
参数设置如下:
最大距离:10m 延迟时间:5s

1、距离测试
因场地有限,最远距离只能测到 7m;
位于40cm时,目标距离显示在 0.5 ~ 0.6m范围内;

位于1m时候,目标距离显示 1 ~1.8m 范围内;

位于2m时候,目标距离显示 2 ~2.5m 范围内;

位于4m时候,目标距离显示 4 ~ 4.3m 范围内;

位于5m时候,目标距离显示 5 ~ 5.1m 范围内;

位于7m时候,目标距离显示 7 ~ 7.1m 范围内;

综上
距离较近时(4m内),距离误差范围平均在30cm左右;
可能距离较近时,有外部其他因素的干扰…
当在距离较远时(4m外),距离误差范围平均在10cm之内;
此时的距离效果显示不错;
2、人体感应测试
目标消失延迟时间:5s
在延迟时间内,如果没有检测到运动 / 微动时,即判断处于无人状态;

效果演示
在延迟时间内,若没有检测到运动时,上方指示灯变为绿色,且此时显示距离为0(代表处于无人状态);
当检测到运动时,上方指示灯又重新变为红色,并显示此时的目标距离(代表感应到有人体运动);
综上
目标消失检测还是很准确的,11s离开后,经过5s(即16s时),没有检测到运动 / 微动时,即判断处于无人状态;
当重新检测到有人体运动时,又能迅速恢复检测目标状态、输出目标距离;