一、硬件介绍
1、产品特点
Rd-03_V2雷达模组,搭载矽典微的S1KM0000芯片、高性能 24GHz 一发一收天线和外围电路,S1KM0000 是一种基于FMCW雷达收发器技术的集成单片机毫米波传感器 SoC。
利用 FMCW 调频连续波,对设定空间内的目标进行探测,结合雷达信号处理,实现高灵敏度的运动检测和微动检测。
Rd-03_V2 模组对运动人体的最远感应距离为 7m,可感知区域内是否有运动或者微动的人体

特性
雷达支持 24GHz ISM 频段
雷达天线支持1收1发,天线波束窄、分辨率高、频带宽、抗干扰力强
雷达最远感应距离为可达 7米
雷达探测角度大,覆盖范围可达 ±60 度
雷达区间内准确识别,支持感应范围划分,屏蔽区间外干扰
支持自动生成检测门限
主要参数说明
供电电压 |
3.0V ~ 3.6V,供电电流 ≥200mA |
支持接口 |
UART |
串口速率 |
默认 115200 bps |
雷达感应距离
安装方式 |
典型值(米) |
最大值(米) |
挂壁方式(±60°范围) |
7 |
10 |
挂顶方式(3m 挂高),圆形投影半径 |
5 |
- |
2、管脚定义

脚序 |
功能 |
说明 |
1 |
3V3 |
输入电源 |
2 |
GND |
接地 |
3 |
TX |
UART_TX |
4 |
RX |
UART_RX |
5 |
OT2 |
检测结果输出,感应时输出高电平,未感应时输出低电平 |
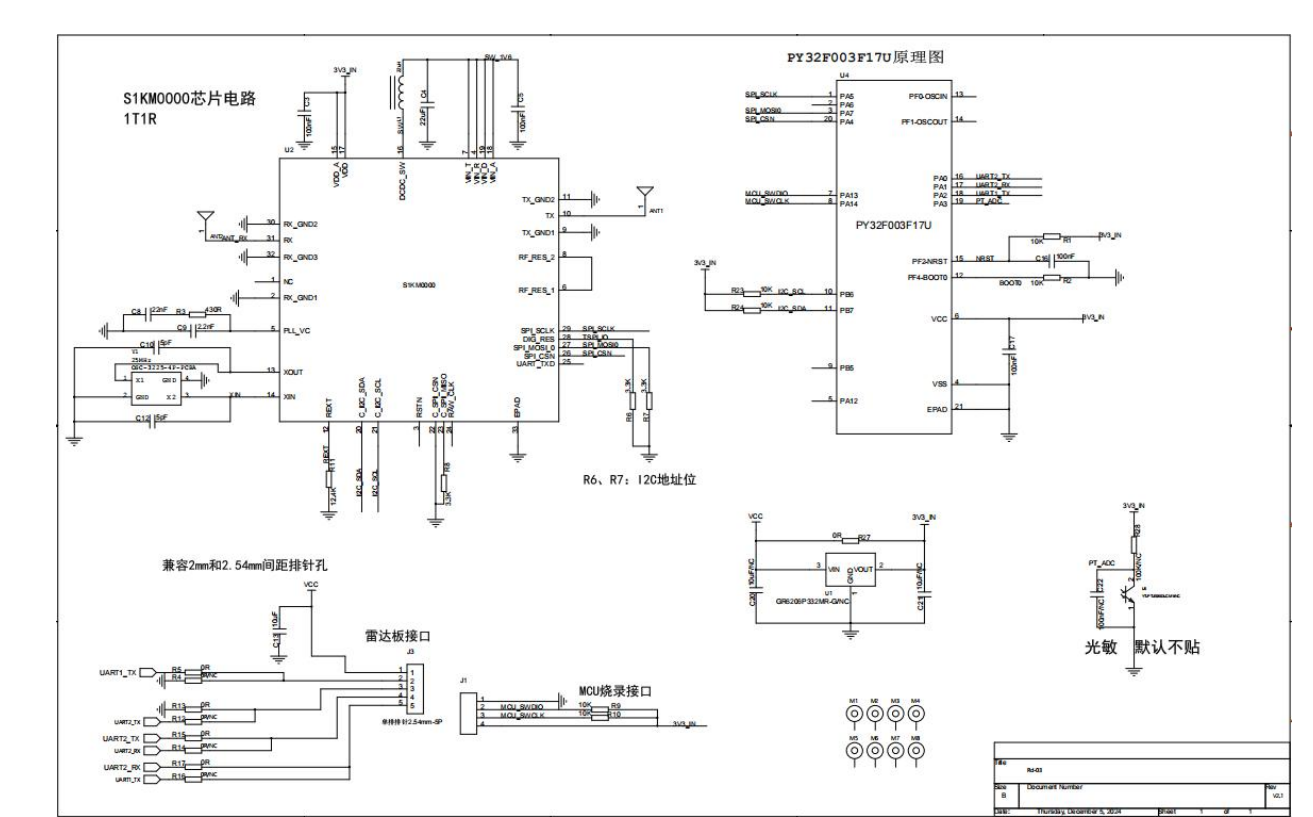
主要原理图:

芯片架构图

3、安装效果图
挂顶安装

挂壁安装

二、串口数据解析
相关命令具体说明
使用USB 转 TTL工具连接模块,然后打开串口工具助手

配置上报模式
一共有两种模式,其中上报模式能输出更多信息;
(默认为正常模式,只能输出距离信息)
参数名称 |
参数值 |
说明 |
上报模式 |
0x0004 |
串口上报各距离门的能量值和检测结果 |
正常模式 |
0x0064 |
串口打印输出距离 |
以下命令均以16进制发送;
1、开启命令模式
FD FC FB FA 04 00 FF 00 01 00 04 03 02 01
雷达ACK:FD FC FB FA 08 00 FF 01 00 00 02 00 20 00 04 03 02 01
2、配置模式
FD FC FB FA 08 00 12 00 00 00 04 00 00 00 04 03 02 01
雷达ACK:FD FC FB FA 04 00 12 01 00 00 04 03 02 01
3、保存配置命令
FD FC FB FA 02 00 FD 00 04 03 02 01
雷达ACK:FD FC FB FA 04 00 FD 01 00 00 04 03 02 01
4、关闭命令模式
FD FC FB FA 02 00 FE 00 04 03 02 01
雷达ACK:FD FC FB FA 04 00 FE 01 00 00 04 03 02 01
发送命令时,串口上会输出相关雷达ACK数据(代表设置成功 / 失败);

数据分析
上报模式
串口数据为小端模式(16进制)
一帧数据
帧头 |
数据长度 |
检测结果 |
目标距离 |
各距离门能量 |
帧尾 |
F4 F3 F2 F1 |
2字节 检测结果 / 目标距离 / 各距离门能量值的 总字节数 |
1字节
00:无人 01:有人 |
2字节 |
128 字节 32(距离门总数) * 4 字节 |
F8 F7 F6 F5 |
例:
F4 F3 F2 F1 83 00 01 72 00 47 58 00 00 3E 7C 00 00 0E 2B 00 00 6E 03 00 00 4D 07 00 00 47 04 00 00 23 02 00 00 68 02 00 00 43 02 00 00 97 02 00 00 32 02 00 00 04 02 00 00 5D 02 00 00 9C 01 00 00 FC 01 00 00 A8 01 00 00 9D CA 01 00 2E 38 02 00 81 81 00 00 71 13 00 00 B6 0E 00 00 D7 08 00 00 FE 03 00 00 7D 04 00 00 6C 04 00 00 70 03 00 00 FF 02 00 00 46 03 00 00 27 02 00 00 98 02 00 00 05 03 00 00 3A 01 00 00 F8 F7 F6 F5
数据含义
帧头:F4 F3 F2 F1
数据长度:83 00(131字节)
检测结果:01(有人)
目标距离:72 00(114cm)
各距离门能量:47 58 00 00 3E 7C 00 00 0E 2B 00 00 6E 03 00 00 4D 07 00 00 47 04 00 00 23 02 00 00 68 02 00 00 43 02 00 00 97 02 00 00 32 02 00 00 04 02 00 00 5D 02 00 00 9C 01 00 00 FC 01 00 00 A8 01 00 00 9D CA 01 00 2E 38 02 00 81 81 00 00 71 13 00 00 B6 0E 00 00 D7 08 00 00 FE 03 00 00 7D 04 00 00 6C 04 00 00 70 03 00 00 FF 02 00 00 46 03 00 00 27 02 00 00 98 02 00 00 05 03 00 00 3A 01 00 00
帧尾:F8 F7 F6 F5
重要提醒
⚠️修改为上报模式后,下次重新上电后,会自动恢复成正常模式;
⚠️修改为上报模式后,下次重新上电后,会自动恢复成正常模式;
⚠️修改为上报模式后,下次重新上电后,会自动恢复成正常模式;
因此,若需要对数据进行分析,每次上电后需对模块,重新发送配置命令等;
配置成功后,才能解析数据;
原本只需要连接RX,接收数据就好了…
现在还需要多连接TX…🤪