登录发现更多内容
首页
分类
发帖
账号
自动登录
找回密码
密码
登录
立即注册
立即登录
立即注册
其他登录
QQ
微信
首页
Portal
求助问答
Xiuno资源
Xiuno教程
Xiuno插件
Xiuno主题
休闲茶馆
定制主题
产品教程
BBS
求助问答
Xiuno资源
Xiuno教程
Xiuno插件
Xiuno主题
休闲茶馆
定制主题
开发资料
求助问答
Xiuno资源
Xiuno教程
Xiuno插件
Xiuno主题
休闲茶馆
定制主题
样品购买
求助问答
Xiuno资源
Xiuno教程
Xiuno插件
Xiuno主题
休闲茶馆
定制主题
IoT云平台
求助问答
Xiuno资源
Xiuno教程
Xiuno插件
Xiuno主题
休闲茶馆
定制主题
GitHub
求助问答
Xiuno资源
Xiuno教程
Xiuno插件
Xiuno主题
休闲茶馆
定制主题
技术博客
求助问答
Xiuno资源
Xiuno教程
Xiuno插件
Xiuno主题
休闲茶馆
定制主题
搜索
搜索
热搜:
LoRa
ESP8266
安信可
本版
帖子
用户
每日签到
任务
广播
导读
排行榜
设置
我的收藏
退出
2
0
0
首页
电子DIY
›
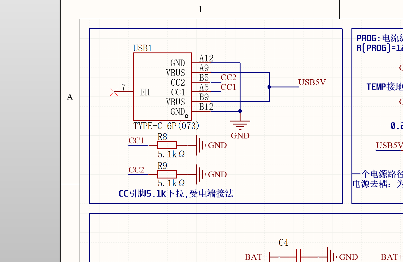
TP4056+NMOS使用的一点小笔记
返回列表
TP4056+NMOS使用的一点小笔记
[ 复制链接 ]
发布帖子
Skyte
高级会员
3
主题
9
回帖
859
积分
高级会员
高级会员, 积分 859, 距离下一级还需 141 积分
高级会员, 积分 859, 距离下一级还需 141 积分
积分
859
私信
电子DIY
20
2
4 小时前
点赞
0
收藏
0
淘帖
0
────
0
人觉得很赞
────
回复
使用道具
举报
2 回复
Skyte
楼主
回复
使用道具
举报
4 小时前
汉堡炸鸡薯条有需要吗
回复
评论
使用道具
举报
hdydy
回复
使用道具
举报
2 小时前
点赞
回复
评论
使用道具
举报
B
Color
Image
Link
Quote
Code
Smilies
您需要登录后才可以回帖
立即登录
手机登录
点评
高级模式
本版积分规则
回帖并转播
回帖后跳转到最后一页
返回
今日推荐
【电子DIY作品】AI-M61-32S跳绳计数器
TP4056+NMOS使用的一点小笔记
阻容降压理解分享
【电子DIY作品】默语小智管家(Ai-WV01-32S)
安信可Ai-WV01-32S模组通过UART-MCP实现简单开关灯
Ai-WV01-32S模组果体试用
【电子DIY作品】桌面语音助手+AiPi-PalChatV2
免费申请|安信可BW20-12F双频Wi-Fi+BLE5.0开发板评测
AiPi-PalChatV1焊盘间距是多少
Ai-M61-32S开发板编写MAX98357A驱动
热帖排行
【电子DIY作品】AI-M61-32S跳绳计数器
TP4056+NMOS使用的一点小笔记
阻容降压理解分享
【电子DIY作品】默语小智管家(Ai-WV01-32S)
安信可Ai-WV01-32S模组通过UART-MCP实现简单开关灯
怎么设置模块蓝牙UUID特征?
Ai-WV01-32S模组果体试用
【电子DIY作品】桌面语音助手+AiPi-PalChatV2
统计信息
会员数: 30010 个
话题数: 43889 篇
首页
分类
我的